Hohe Qualität und hervorragende Verarbeitung zeichnen dieses Blockhaus aus :
- stabile 44mm Blockbohlen aus ausgesuchter nord. Fichte
mit Doppelnut und -feder
- Türen und Fenster mit Isolierverglasung
- Fußboden und kesseldruckimprägnierte Unterkonstruktion
- integrierte Terrasse
- 5 Jahre Garantie auf die Holzkonstruktion
- kann auch spiegelbildlich aufgebaut werden
- Wandstärke : 44 mm Doppelnut mit Chaletfräsung für winddichte Ecken, Doppelnut und -feder
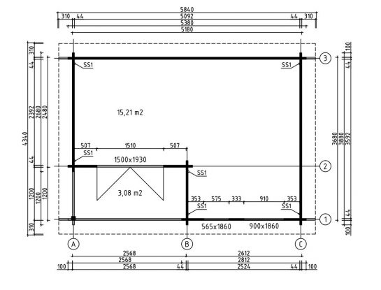
- Wandaussenmass : 520 x 390 cm
- Bohlenmasse : 540 x 370 cm
- Innenraum : 511,2 x 361,2 cm
- Seitenwandhöhe : ca. 211 cm
- Firsthöhe : ca. 245 cm
- Dachüberstand 30 cm
- Grundfläche : ca. 16,12 qm
- umbauter Raum : ca. 36,75 cbm
- Dachfläche: ca. 25,74 qm
- Dachneigung: ca. 12,3°
- Doppeltür 1588 x 1957 mm mit Isolierverglasung
- Einzelfenster 56,0 x 178,8 cm mit Isolierverglasung (nach innen öffnend)
- 1 x feststehendes Fenster 101 x 178,8 cm mit Isolierverglasung
- inkl. Fußboden und Unterkonstruktion
Beschreibung:
- 44mm Wandbohlen aus nord. Fichte mit Doppelnut; spezielle Eckverbindungen mit Chaletschnitt
für wind- und regendichte Wandecken
- 45 x 70 mm kesseldruckimprägnierte Lagerhölzer
- 18 mm Dach- und Fußbodenbretter mit Nut + Feder
- Fenster und Türen mit ISO-Verglasung
- Edelstahl - Türschwellen
- inkl. Zylinderschloß und Drückergarnitur
- aufgesetzte Tür und- und Fenstersprossen
- inkl. Sturmsicherung
- Stirnbretter mit komplettem Leistensatz für Dach und Boden
- ausführliche Aufbauanleitung , auf Wunsch Statik